4 Основные системы смазки

We use cookies. Read the Privacy and Cookie Policy

Для мотоциклетных двигателей применяется система смазки смесью масла с горючим или циркуляционная.

Система смазки смесью масла с горючим. В топливный бак мотоцикла заливается тщательно перемешанная смесь масла и горючего в пропорции, принятой для данного двигателя. Обычно в этой смеси находится 8 % масла (по объему). Для новых двигателей, еще не прошедших полностью приработку, количество масла увеличивается до 10 %.

Из топливного бака смесь по трубопроводу подается в карбюратор, а затем в кривошипную камеру (картер) двигателя. Во время распыливания смеси в карбюраторе и в кривошипной камере основная часть горючего испаряется, масло отделяется от горючего и, оседая на стенках картера и трущихся деталях, смазывает их. Попадая на вращающиеся детали двигателя, масло разбрызгивается и снова поступает к трущимся деталям.

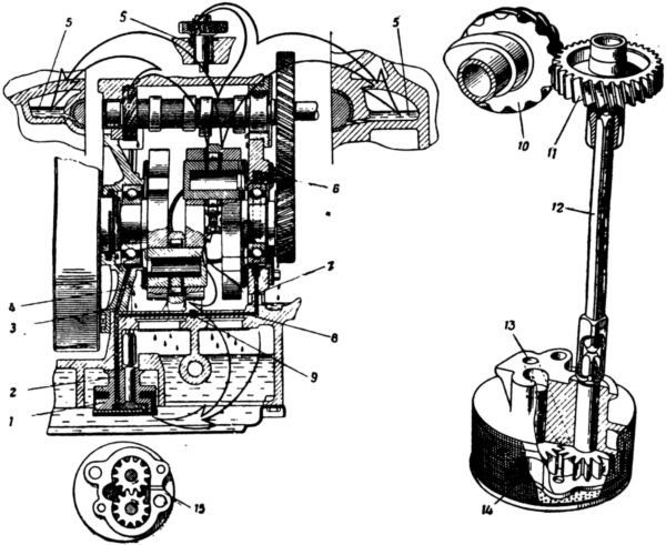
Система циркуляционной смазки (рис. 62).

Рис. 62. Система смазки двигателя мотоцикла М-72: 1 — масляный насос; 2 — нагнетательный канал; 3 — канал подачи масла к заднему маслосборному диску; 4 — маслосборный диск; 5 — сборники масла; 6 — трубка подачи масла к шестерням распределения; 7 — канал подачи масла к переднему диску; 8 — масляная магистраль; 9 — канал подачи масла к левому цилиндру; 10 — шестерня кулачкового валика; 11 — шестерня привода насоса; 12 — валик насоса; 13 — нагнетательный канал в корпусе насоса; 14 — сетчатый фильтр насоса; 15 — шестеренчатый масляный насос.

Масло заливается в картер двигателя через заливное отверстие, расположенное с левой стороны картера. Заливное отверстие закрывается пробкой с закрепленным в ней стержневым указателем уровня масла. На нижнем конце указателя имеются две риски, указывающее допустимые пределы колебания уровня масла. Масло, заливаемое через заливное отверстие, поступает в нижнюю часть картера, в которой расположен масляный насос шестеренчатого типа.

Масляный насос состоит из двух цилиндрических шестерен, одна из которых через валик насоса 12 и шестерню привода насоса 11 приводится в действие от шестерни 10, выполненной на кулачковом валике. Во время работы двигателя масло из картера двигателя поступает через сетчатый фильтр 14 в полость масляного насоса 1. Из масляного насоса масло подается по нагнетательному каналу 13 в масляную магистраль 8, имеющую три выходных канала 3, 7 и 9. Масло, поступающее через канал 7, проходит по кольцевой выточке в гнезде коренного подшипника к трубке 6 в крышке корпуса, направляющей струю масла на шестерни распределения. Кроме того, масло по каналу 7 в корпусе поступает под наружную обойму переднего коренного подшипника и по выемке в корпусе вытекает в маслосборный диск. Масло, поступающее в маслосборный диск, под действием центробежной силы прижимается к внутренней части желобка и через отверстие в маслосборном диске проходит во внутреннюю полость шатунного пальца левого цилиндра. Из внутренней полости шатунного пальца масло через два сверления в стенке пальца поступает к подшипникам большой головки шатуна. Смазав подшипник большой головки шатуна, масло разбрызгивается в картере, смазывает другие детали двигателя, после чего стекает обратно в нижнюю часть картера двигателя.

Масло, вытекающее из канала 5, по выемке под задним коренным подшипником попадает в маслосборный диск задней щеки коленчатого вала и затем проходит во внутреннюю полость заднего шатунного пальца, откуда по сверлениям поступает к подшипникам большой головки правого шатуна, после чего разбрызгивается в картере двигателя. На боковых стенках больших головок шатунов выполнены выемки, через которые масло более интенсивно разбрызгивается в верхней части картера.

Через канал 9 масло поступает в нижнюю часть кольцевой выточки во фланце левого цилиндра. Поднимаясь по кольцевой выточке, масло подходит к трем отверстиям в стенке цилиндра, сообщающим кольцевую выточку с полостью цилиндра. При положении поршня в нижней мертвой точке масло смазывает верхнюю часть юбки поршня, который при своем движении к верхней мертвой точке распределяет масло по всей верхней части зеркала цилиндра. Принудительная подача масла к левому цилиндру вызвана тем, что во время работы двигателя масло, разбрызгиваемое коленчатым валом, вращающимся по часовой стрелке, обеспечивает смазку только нижней части зеркала цилиндра.

Передняя опора кулачкового валика смазывается самотеком из двух сборников, один из которых образован отливкой на верхней стенке картера справа от опоры, а другой — выемкой, выполненной во фланце корпуса передней опоры кулачкового валика. Оба сборника каналами соединяются с бронзовой втулкой опоры кулачкового валика. Опора шестерни привода масляного насоса также смазывается самотеком из сборника, расположенного рядом с бронзовой втулкой опоры шестерни и сообщающегося с ней сверлением в стенке втулки.

Остальные детали двигателя — коренные подшипники, правый и левый цилиндры, поршневые пальцы, кулачки, толкатели и шестерни привода масляного насоса — смазываются разбрызгиванием.

После смазки деталей двигателя масло стекает в нижнюю часть картера и снова поступает через сетчатый фильтр к масляному насосу. Нижняя часть картера двигателя отделена от верхней сетчатой перегородкой, служащей для грубой фильтрации масла.

Более 800 000 книг и аудиокниг! 📚

Получи 2 месяца Литрес Подписки в подарок и наслаждайся неограниченным чтением

ПОЛУЧИТЬ ПОДАРОК