3. Коробка передач

We use cookies. Read the Privacy and Cookie Policy

Назначение коробки передач

При трогании с места, чтобы вывести мотоцикл из состояния покоя, т. е. преодолеть его инерцию и сопротивление дороги, ведущему колесу должна быть сообщена определенная мощность. Двигатель может развить эту мощность при относительно высоком числе оборотов коленчатого вала. Но чтобы не было резкого толчка при трогании с места, чтобы колесо не пробуксовывало, а механизмы мотоцикла не были повреждены, число оборотов ведущего колеса должно быть небольшим. Следовательно, при трогании с места отношение между числом оборотов коленчатого вала двигателя и числом оборотов заднего колеса должно быть таким, чтобы заднее колесо вращалось медленно при сравнительно большом числе оборотов коленчатого вала двигателя.

При движении мотоцикла по гладкой ровной дороге это отношение уже не будет оптимальным, так как сила инерции, которую нужно преодолеть при трогании с места, во время движения стремится сохранить движение мотоцикла и избыток мощности, передаваемой в данном случае заднему колесу, следует затратить на увеличение скорости движения. Для этого нужно увеличить число оборотов ведущего колеса. Но увеличение числа оборотов колеса, связанного определенным отношением с числом оборотов коленчатого вала двигателя, требует увеличения числа оборотов последнего, что ограничивается особенностью характеристики мотоциклетного двигателя, дающего, как уже было сказано, определенную мощность при определенном числе оборотов коленчатого вала двигателя. Ясно, что отношение между числом оборотов коленчатого вала двигателя и числом оборотов заднего колеса должно изменяться соответственно дорожным условиям, в которых движется мотоцикл.

Отношение числа оборотов коленчатого вала двигателя относительно числа оборотов заднего колеса называется передаточным числом мотоцикла.

Если изменять это передаточное число, то на ведущем колесе мотоцикла (на заднем колесе) будет меняться величина тягового усилия на заднем колесе, а следовательно, будет изменяться также и скорость движения мотоцикла. Механизм, с помощью которого изменяется во время движения передаточное число мотоцикла, называется коробкой передач. Коробка передач представляет собой механизм, состоящий из набора шестерен, которые могут вводиться в зацепление в различных сочетаниях. Каждое сочетание пар шестерен коробки передач, соответствующее определенному передаточному числу, называется ступенью коробки передач, или передачей.

Таким образом, коробка передач служит для изменения тягового усилия на заднем колесе мотоцикла в зависимости от сопротивления движению; кроме того, коробка передач обеспечивает при выключении передач отъединение ведущего колеса от двигателя, что необходимо при запуске двигателя, а также в тех случаях, когда двигатель должен работать при остановке мотоцикла.

Мотоциклетные коробки передач, как правило, изготовляются двух-, трех- или четырехступенчатые. Двухступенчатая коробка передач дает возможность получать два различных общих передаточных числа мотоцикла, трехступенчатая — три, а четырехступенчатая — четыре.

Устройство коробки передач

Передаточное число в коробке передач изменяется обычно при помощи зубчатых колес. Зубчатое колесо, сцепляющееся непосредственно со вторым зубчатым колесом, называется шестерней. Зубчатое колесо, сцепляющееся со вторым зубчатым колесом посредством приводной цепи, называется зубчаткой (звездочкой).

Зубья шестерен располагаются разными способами и имеют различную форму, в зависимости от чего различают шестерни цилиндрические и конические. Цилиндрические шестерни бывают с прямым или косым зубом. По способу зацепления цилиндрические шестерни бывают наружного или внутреннего зацепления. При помощи зубчатых колес можно выполнять следующее:

1) Передать вращение от одного вала к другому, как это показано на рис. 98.

Рис. 98. Передача вращения от одного вала к другому.

Вал и зубчатое колесо, от которого передается вращение, называется ведущими, а вал и зубчатое колесо, которым передается вращение, называются ведомыми. Для передачи движения необходимо, чтобы в системе было не менее двух зубчатых колес (шестерен или зубчаток).

При передаче движения между параллельными валами применяются цилиндрические шестерни, при наличии цепной передачи — зубчатки, а между валами, расположенными под углом, — конические шестерни.

2) Изменять направление вращения вала. В случае сцепления двух шестерен ведомая шестерня вращается в направлении, обратном вращению ведущей шестерни. Если в зацепление между ведущей и ведомой шестерней ввести третью, то направление вращения ведущего и ведомого валов не изменится.

Вообще, если в зацеплении находится четное число шестерен, то крайние шестерни вращаются в разных направлениях, а если в зацеплении нечетное число шестерен, то направление вращения крайних одинаковое (рис. 99).

Рис. 99. Передача вращения от одного вала к другому без изменения направления вращения.

При цепной передаче направление вращения зубчаток не изменяется.

3) Изменять скорость вращения валов (шестерен и зубчаток).

Зубчатые колеса могут быть различного диаметра. При движении каждый зуб ведущего колеса передвигает один зуб ведомого колеса. Поэтому, если число зубьев объединенных между собой зубчатых колес (шестерен или зубчаток) одинаковое, то и скорости вращения их одинаковые. Если же число зубьев соединенных между собой колес различное, то и скорости их вращения различные.

Из двух соединенных колес быстрее вращается колесо с меньшим количеством зубьев и, наоборот, колесо с большим количеством зубьев вращается медленнее.

Передаточное число зубчатых колес определяется делением числа зубьев ведомого колеса на число зубьев ведущего.

4) Изменять усилие, передаваемое с одного вала на другой. При соединенных зубчатых колесах полное усилие ведущего вала, развивающееся за один оборот, передается зубьям ведущего колеса, причем каждый зуб передает равную долю полного усилия.

Ведомое колесо каждым своим зубом воспринимает усилие одного зуба ведущего колеса. Поэтому, если число зубьев у колес одинаковое, то ведомое колесо за свой полный оборот воспринимает все усилие ведущего вала. Если число зубьев ведомого колеса меньше, т. е. если оно вращается быстрее, то оно за свой оборот воспримет не все усилие ведомого, а только часть его и во столько раз меньшую, во сколько у него меньше зубьев. Наоборот, если число зубьев у ведомого колеса больше, т. е. если это колесо вращается медленнее ведущего, то оно за свой оборот воспримет большее усилие, чем ведущее, так как получит его не от одного оборота, а от стольких оборотов, во сколько раз число его зубьев больше числа зубьев ведущего колеса. Таким образом, если ведомое колесо вращается быстрее, то передаваемое усилие уменьшается, а если оно вращается медленнее, то передаваемое усилие увеличивается.

На перечисленных свойствах шестеренчатых передач и основано действие коробки передач.

На рис. 100 приведена схема двухступенчатой коробки передач.

Рис. 100. Схема двухступенчатой коробки передач: 1 — промежуточный вал; 2 — ведущий первичный вал; 3 — шестерня первичного вала первой передачи; 4 — зубья торцового зацепления шестерни первичного вала; 5 — кулачковая муфте переключения; 6 — зубья торцового зацепления шестерни; 7 — шестерня второй передачи вторичного вала; 8 — вторичный вал; 9 — шестерня второй передачи промежуточного вала; 10 — шестерня первой передачи.

Первичный ведущий вал 2 коробки передач получает вращение от коленчатого вала двигателя. На первичном валу, как одно целое с ним, располагается шестерня 3, сцепленная с шестерней 10, которая с помощью шпонки закреплена на конусе промежуточного вала 1 коробки передач. Также на шпонке на втором конусе промежуточного вала насажена шестерня 9, постоянно сцепленная с шестерней 7, свободно сидящей на вторичном (ведомом) валу 8 коробки передач. Один конец вторичного вала 8 закреплен на первичном валу, а другой постоянно связан с задним колесом мотоцикла.

На валу 8 располагается муфта переключения 5, которая может передвигаться по шлицам вправо и влево. С помощью этих шлицев муфта постоянно связана с вторичным валом коробки передач.

При передвижении муфты переключения вправо ее зубья, расположенные с торцовой стороны, сцепляются с зубьями 6 шестерни 7, т. е. в данном случае шестерня 7 будет вращаться как одно целое с вторичным валом коробки передач.

Диаметр шестерни 3 первичного вала, а следовательно, и число ее зубьев меньше, чем диаметр и число зубьев шестерни 10 промежуточного вала, значит, промежуточный вал коробки передач вращается медленнее первичного вала, но усилие, полученное им, будет больше, чем на первичном валу. Скорость и усилие обусловливаются передаточным числом между ведущей шестерней 3 первичного вала и ведомой 10 промежуточного вала. Так как шестерни 7 и 9, передающие вращение в данном случае вторичному валу коробки передач, имеют одинаковое число зубьев, то вторичный вал будет вращаться со скоростью промежуточного вала, т. е. медленнее первичного вала, но получая большее усилие. В данном случае включается первая (низшая) передача.

Для получения второй (высшей) передачи муфта переключения передвигается по шлицам вторичного вала влево и соответствующими зубьями с торцовой стороны слева сцепляется с зубьями 4 шестерни 3 первичного вала, т. е. соединяет между собой первичный и вторичный валы, вращающиеся в данном случае с одинаковыми скоростью и усилием.

Названные детали коробки передач, а именно: первичный, промежуточный, вторичный валы (число пар соответствует числу передач) и муфты переключения коробки передач, составляют силовой механизм коробки передач. Кроме того, коробка передач состоит из следующих самостоятельных механизмов: пускового механизма, служащего для вращения первичного вала при запуске двигателя, и механизма переключения коробки передач. Последний служит для быстрого включения и выключения передач с помощью ноги или (реже) руки водителя.

Все механизмы коробки передач устанавливаются в картере (корпусе) коробки передач, который служит для связи всех деталей и механизмов и является одновременно емкостью для масла, смазывающего детали коробки передач.

Картер коробки передач мотоциклов выполняется, как правило, из алюминиевого сплава.

В зависимости от способа переключения передач мотоциклетные коробки передач бывают с подвижными шестернями — каретками постоянного зацепления; с шестернями постоянного зацепления и подвижными муфтами с кулачками или мелкошлицевым зацеплением; с подвижными шестернями-каретками.

В зависимости от числа подвижных муфт или кареток коробки передач мотоциклов бывают одноходовые (с одной подвижной муфтой) и двухходовые (с двумя подвижными муфтами).

Коробки передач по схеме устройства бывают с прямой передачей — соосные (рис. 101) и без прямой передачи — несоосные.

Рис. 101. Схема соосных коробок передач мотоциклов: 1 — соосная коробка передач; 2 — несоосная коробка передач.

В соосных коробках передач шестерни на высшей передаче не загружены. Зато при промежуточных передачах в зацеплении находятся две пары шестерен, что увеличивает механические потери в силовой передаче.

В мотоцикле коробка передач может быть расположена или отдельно от двигателя (такое расположение в настоящее время применяется редко) или в составном блоке с двигателем, а также в общем блоке с двигателем.

Устройство коробки передач мотоцикла М-72

Коробка передач мотоцикла М-72 (рис. 102 и 103) относится к типу четырехступенчатых, двухходовых, несоосных, с шестернями постоянного зацепления и подвижными кулачковыми муфтами переключения. Расположена коробка передач в составном блоке с двигателем.

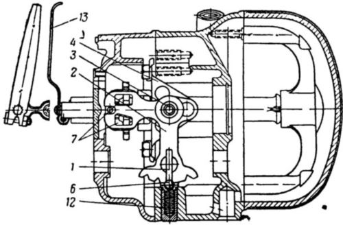
Рис. 102. Коробка передач мотоцикла М-72 (разрез): 1 — рычаг ручного переключения передач; 4— вал пускового механизма; 5 — шариковый подшипник вторичного вала (задний); 6 —сальник; 7 — корпус заднего подшипника первичного вала; 8 — картер коробки передач; 9 — шестерня пускового механизма; 10 — роликовый подшипник первичного вала; 11— шестерня первой передачи первичного вала; 12 — шлицевая втулка; 13 — шестерня второй передачи первичного вала; 14 — шестерня третьей передачи первичного вала; 15 — муфта включения первой и второй передач; 16 — возвратная пружина пускового механизма; 17 — шестерня четвертой передачи первичного вала; 18 — шариковый подшипник первичного вала; 19 — сальник; 20 — маслосъемная нарезка; 21 — первичный вал; 22 — шариковый подшипник вторичного вала (передний); 23—масляный карман крышки подшипника вторичного вала; 24 — втулка четвертой передачи вторичного вала; 25 — крышка подшипника вторичного вала; 26 — муфта включения третьей и четвертой передач; 27 — крышка картера передняя; 28 — шестерня четвертой передачи вторичного вала; 29 — кольцо упорное; 30 — вилка переключения третьей и четвертой передач; 31 — шестерня третьей передачи вторичного вала; 32 — вилка переключения первой и второй передач; 33 — шестерня второй передачи вторичного вала; 34 — сектор переключения передач; 35 — правая крышка картера; 36 — шестерня первой передачи вторичного вала; 37 — втулка шестерни второй и третьей передач вторичного вала; 38 — втулка шестерни первой передачи вторичного вала; 39 — диск упругой муфты кардана; 40 — вторичный вал; 41 — гайка крепления диска упругой муфты кардана.

Рис. 103. Коробка передач мотоцикла М-72 (вид сзади): 1 — педаль переключения; 2 — рычаг пускового механизма.

Первичный вал коробки передач 21 получает вращение через механизм сцепления, расположенный в маховике. Этот вал установлен на двух подшипниках, из которых передний (по ходу движения) — шариковый 18, а задний — роликовый цилиндрический 10. Вторичный вал 40 установлен на двух шариковых подшипниках 5 и 22. Вместе с первичным валом выполнены шестерни первой 11, второй 13 и третьей 14 передач, Шестерня 17 четвертой передачи закреплена на первичном валу с помощью шпонки.

Все шестерни первичного вала находятся в постоянном зацеплении с шестернями 36, 33, 31 и 28 вторичного вала. Эти шестерни свободно вращаются на бронзовых втулках 37, 38 и 24, напрессованных на вторичный вал.

Шестерни 17 и 28, составляющие четвертую ступень, для плавности зацепления и бесшумности работы снабжены косыми спиральными зубьями. У остальных шестерен зубья прямые.

Шестерни и валы коробки передач выполняются из легированной стали и для повышения прочности и износоустойчивости подвергаются термической обработке.

Включение соответствующих передач коробки передач осуществляется двумя кулачковыми муфтами, расположенными между шестернями на вторичном валу. Муфта 15 включения первой и второй передач насажена на шлицевую втулку 12, связанную с вторичным валом двумя шпонками. На муфте имеются торцовые кулачки, которые входят в отверстия шестерен. Муфта включения третьей и четвертой передач 26 насажена непосредственно на шлицы вторичного вала и имеет сквозные отверстия, которыми может зацепляться с торцовыми кулачками соответствующих шестерен.

При нейтральном положении муфт переключения усилие на вторичный вал не передается. При нейтральном положении муфты 26 и перемещении муфты 15 к шестерне 36 кулачки муфты войдут в зацепление с шестерней 36 и вращение от первичного вала к вторичному будет передаваться через шестерни 11 и 36 и муфту 15, т. е. при этом положении будет включена первая (низшая) передача. При перемещении муфты 15 в обратном направлении, т. е. к шестерне 33, включается вторая передача; при этом вращение от первичного вала к вторичному будет передаваться через шестерни 13 и 33 и кулачковую муфту 15.

При нейтральном положении муфты 15 и перемещении муфты 26 к шестерне 31 в отверстия муфты войдут кулачки шестерни 31 и вращение первичного вала вторичному будет передаваться через шестерни 14 и 31 и муфту 26, т. е. при этом будет включена третья передача.

Переключение на четвертую передачу произойдет при перемещении муфты 26 к шестерне 28. На четвертой передаче вращение первичного вала вторичному будет передаваться через шестерни 17, 28 и муфту 26.

Во всех случаях передача вращения от вторичного вала коробки передач к ведущему (заднему) колесу мотоцикла осуществляется через упругую муфту кардана, диск 39 которой насажен на конусный хвостовик вторичного вала и закреплен гайкой 41. В последнее время такое соединение заменено шлицевым (рис. 104) с целью увеличения надежности.

Рис. 104. Коробка передач мотоцикла М-72 (разрез): 42 — шестерня привода гибкого вала спидометра; 43 — коленчатый вал двигателя; 44 — задняя крышка вала пускового механизма; 45 — пробка картера; 46 — фиксатор; 47 — валик вилок переключения; 48 — валик переключения; 49 и 50 — собачки механизма переключения; 51 — шайба выключателя собачек переключения; 52 — храповик; 53 — кривошип собачек; 54 — возвратная пружина; 55 — поводок переключения; 56 — ось собачки пускового механизма; 57 — собачка пускового механизма; 58 — утопитель пусковой собачки; 59 — толкатель и пружина пусковой собачки; 60 — упорный палец буфера пускового механизма; 61 — пружина буфера пускового механизма; 62 — пробка буфера пускового механизма.

Диск 39, связанный непосредственно с упругим элементом муфты кардана, служит для привода спидометра. На ступице этого диска выполнена канавка, служащая для привода червячной шестерни 42 (рис. 104), соединенной с гибким валом привода спидометра.

Включение и выключение соответствующих передач, т. е. перемещение той или иной муфты переключения, выполняется с помощью механизма переключения. Устроен этот механизм следующим образом. Вилки переключения 30 и 32 (рис. 102), входящие в кольцевые пазы муфт переключения, могут перемещать муфты вдоль оси вторичного вала. Вилки насажены на общем направляющем валике 47, заключенном в картере коробки передач. Обе вилки имеют пальцы, входящие в фигурные вырезы сектора переключения. При повороте сектора пальцы скользят внутри вырезов, что вызывает осевые перемещения вилок, а следовательно, и связанных с ними муфт переключения.

Каждое из пяти положений сектора, соответствующее определенному положению муфт переключения, фиксируется при помощи шарикового фиксатора 46, входящего в лунки на торце сектора переключения. Четыре положения сектора фиксируют включение четырех передач, а пятое положение является нейтральным между первой и второй передачами. Нейтральные положения между остальными передачами не фиксируются.

Сектор переключения поворачивается как при помощи педали У, расположенной с левой стороны коробки передач, так и с помощью рычага 3 (рис. 104), установленного с другой стороны коробки. Крайнее заднее положение рычага переключения соответствует первой передаче. По мере передвижения вперед рычаг занимает нейтральное положение между первой и второй передачами, далее включается вторая, третья и четвертая передачи.

При включении каждой передачи можно слышать характерный щелчок фиксатора, шарик которого входит в соответствующие лунки сектора переключения. Однако практически пользование рычагом ручного переключения передач весьма затруднительно, поэтому основное назначение этого рычага — установка нейтрального положения. Для установки рычага в нейтральное положение следует сначала довести его до отказа назад и затем передвинуть на одно положение вперед. Поворот сектора переключения, а значит, и включение той или иной передачи производится с помощью педали переключения. На новых машинах эта педаль двухплечевая, на старых с одним плечом.

Ось педали установлена во втулке, запрессованной в крышке картера коробки передач. Педаль имеет ушко с пальцем, входящим в паз поводка 55, связанного с валиком сектора переключения посредством специального механизма переключения — селектора. Педаль переключения посредством поводка 55 (рис. 104) соединяется с кривошипом 55, на котором насажены две собачки 49 и 50. Пружина, расположенная между ними, стремится свести концы собачек вместе. Собачки могут входить в зубья храповика 52, сидящего на валике переключения 48. При повороте кривошипа в ту или иную сторону одна из собачек, войдя между соответствующими зубьями храповика, насаженного на квадратный конец валика сектора переключения, повернет его, а следовательно, и включит ту или иную передачу.

Возвратная пружина 54 двухстороннего действия, после того как включение произведено, возвратит кривошип в исходное положение, а вместе с ним и педаль переключения. Чтобы при возвращении кривошипа в исходное положение вторая собачка не вызвала обратного хода храповика и обратного переключения, к картеру привернута специальная шайба 51. Эта шайба приподнимает неработающую собачку при повороте кривошипа. Таким образом, обеспечивается нормальная работа механизма при поворотах в обе стороны. Регулировочные винты с контргайками ограничивают угловое перемещение кривошипа и служат для регулировки механизма переключения.

Нажимом ноги на педаль переключения (поворотом оси педали по ходу мотоцикла) включается первая передача. При повороте педали в сторону, противоположную движению мотоцикла, включаются последовательно вторая, третья и четвертая передачи, причем перед включением педаль каждый раз должна находиться в своем исходном положении. Для обратного перехода с высшей передачи на низшую следует нажать педаль вниз (ось педали поворачивается по ходу мотоцикла). При одном нажатии на педаль (безразлично вверх или вниз от исходного положения) обеспечивается включение одной передачи.

Пусковой механизм коробки передач мотоцикла М-72 действует от нажима на педаль пускового рычага.

Устроен пусковой механизм так.

На отдельном валу пускового механизма 4 (рис. 102), установленном в нижней части картера коробки передач, на бронзовой втулке может свободно вращаться пусковая шестерня 9, находящаяся в постоянном зацеплении с шестерней первой передачи 36 вторичного вала коробки передач. Так как эта шестерня находится в постоянном зацеплении с шестерней, наглухо посаженной на первичном валу 21, то поворот шестерни 36 вызовет соответствующий поворот первичного вала и далее коленчатого вала двигателя. Вместе с шестерней 9 выполнен храповик с внутренними зубьями. Внутри храповика на конце пускового валика 4 имеется собачка 57, насаженная на ось 55, с пружиной и толкателем 55, стремящимся повернуть собачку к зубьям храповика. На другом конце вала закреплен пусковой рычаг 2 (рис. 103). При повороте рычага собачка, упираясь в зубья храповика, вызывает вращение первичного вала коробки и коленчатого вала двигателя. Пружина 16 возвращает пусковой валик 4, а вместе с ним храповой механизм и пусковой рычаг в исходное положение.

Во избежание проскакивания собачки по зубьям храповика при работающем двигателе и появления в связи с этим шума — выключатель собачки отжимает собачку от храповика. Для смягчения удара при возвращении пускового вала в исходное положение установлен специальный буфер. Его упорный палец 60 с пружиной 61 ограничивает обратный ход храповика.

Вращающиеся в коробке шестерни интенсивно разбрызгивают масло, находящееся в картере коробки передач, вследствие чего образуется масляный туман. Это обеспечивает надежную смазку всех трущихся поверхностей, кроме шестерен вторичного вала.

Для смазки ступиц шестерен вторичного вала, вращающихся на бронзовых втулках, в крышке подшипника вторичного вала 40 имеется масляный карман 23. Скапливающееся в этом кармане масло стекает по каналу в отверстие вала и через его радиальные сверления под действием центробежных сил подводится к каждой шестерне вторичного вала.

В мотоциклах последних выпусков конструкция крышки подшипника вторичного вала изменена. Для предотвращения вытекания масла из коробки передач перед каждым шарикоподшипником поставлены маслоотражательные шайбы и сальники. Сальник 19 препятствует попаданию масла в механизм сцепления, а сальник 6 — на упругую муфту кардана.

Для заливки масла в коробку передач в картере с левой стороны (по ходу мотоцикла) предусмотрено маслоналивное отверстие, закрываемое пробкой на резьбе. Для удаления отработанного масла в нижней части картера имеется сливное отверстие, которое закрывается также пробкой на резьбе.

Устройство коробки передач мотоцикла ИЖ-350

Коробка передач мотоцикла ИЖ-350 (рис. 105) относится к типу четырехступенчатых, двухходовых, соосных, с подвижными шестернями-каретками постоянного зацепления. Расположена эта коробка в неразъемном с двигателем блоке.

Рис. 105. Коробка передач мотоцикла ИЖ-350: 1 — шариковый подшипник промежуточного вала (левый); 2 — шариковый подшипник первичного вала; 3 — механизм сцепления; 4 — шестерня первой передачи первичного вала; 5 — шестерня второй передачи первичного вала; 6 — первичный вал; 7 —шестерня-каретка первичного вала; 8 — шестерня постоянного зацепления вторичного вала; 9 — роликовый подшипник вторичного вала; 10 — вторичный вал; 11 — защитный колпачок; 12 — регулировочный винт механизма сцепления; 13 — червяк выжима сцепления; 14 — ведущая зубчатка главной передачи; 15 — шариковый подшипник промежуточного вала (правый); 16 — шестерня постоянного зацепления промежуточного вала; 17—шестерня третьей передачи промежуточного вала; 18 — бронзовые втулки; 19 — шестерня-каретка промежуточного вала включения первой, второй и третьей передач; 20 — промежуточный вал; 21 — шестерня первой передачи промежуточного вала.

Первичный вал 6 коробки передач получает вращение от механизма сцепления 3, расположенного на выступающем из коробки передач конце первичного вала.

Первичный вал установлен на двух подшипниках, из которых левый, шариковый 2, находится в стенке картера. Правым подшипником служат две бронзовые втулки 18, запрессованные в отверстие вторичного вала коробки передач. В это отверстие входит правый (по ходу движения) конец первичного вала.

Шестерня первой передачи 4 составляет одно целое с первичным валом. Шестерня 5 второй передачи посажена свободно на первичном валу. Далее на шлицах расположена подвижная шестерня-каретка 7, служащая для включения второй, третьей и четвертой передач.

Промежуточный вал 20 расположен под первичным на двух шариковых подшипниках 1 и 15, установленных в стенках картера. На одном конце промежуточного вала свободно сидит шестерня 21, постоянно сцепленная с шестерней первой передачи 4 первичного вала. Затем на шлицах промежуточного вала располагается вторая подвижная шестерня-каретка 19 включения первой, второй и третьей передач. Далее на промежуточном валу установлены свободно шестерня третьей передачи 17 и на шлицах шестерня 16 постоянного зацепления. Шестерня 16 постоянно сцеплена с зубчатым венцом (шестерней) 8, выполненным за одно целое с вторичным валом 10.

Вторичный вал установлен на роликовом подшипнике 9 в правой стенке картера. На конце вторичного вала, выступающем с правой стороны картера коробки передач, насажена на шлицах зубчатка 14, связанная цепью с зубчаткой заднего колеса и являющаяся ведущей зубчаткой главной передачи мотоцикла.

Разберем схему передачи усилий в коробке передач мотоцикла ИЖ-350 при включении той или иной передачи.

При передвижении влево шестерни-каретки 19 промежуточного вала кулачки, расположенные с левого торца шестерни-каретки, сцепляются с кулачками шестерни 21 первой передачи промежуточного вала, т. е. промежуточный вал будет вращаться вместе с этой шестерней. Так как шестерня 21 постоянно сцеплена с шестерней (зубчатым венцом) 4 первичного вала, то вращение промежуточного вала при этом будет происходить со скоростью, обусловленной передаточным числом между этой парой шестерен. В данном случае включится первая (низшая) передача.

Для включения второй (промежуточной) передачи передвигается влево шестерня-каретка 7 первичного вала, а шестерня-каретка 21 промежуточного вала отводится в исходное положение. Кулачки, расположенные на правом торце шестерни-каретки 7, входят в зацепление с кулачками сидящей на первичном валу шестерни 5, т. е. соединяют эту шестерню с первичным валом. Шестерня 5 в свою очередь начнет вращать сцепленную с ней шестерню-каретку 19, сидящую на шлицах промежуточного вала, и промежуточный вал будет вращаться со скоростью, зависящей от передаточного числа этих шестерен. Вращение промежуточного вала будет передаваться вторичному валу через пару шестерен 16 и 5, о которых было сказало выше.

Третья передача включается передвижением вправо шестерни-каретки 19 промежуточного вала (шестерня-каретка 7 первичного вала находится в нейтральном положении). При этом кулачки на правом торце шестерни-каретки 19 входят в зацепление с кулачками на левом торце шестерни 17 промежуточного вала, т. е. соединяют этот вал с шестерней 17, Сцепленная с шестерней 17 шестерня-каретка 7, сидящая на шлицах первичного вала, имеет одинаковое с шестерней 17 число зубьев, т. е. скорости вращения первичного и промежуточного валов в данном случае будут одинаковые, а вращение вторичного вала относительно первичного будет происходить со скоростью, зависящей только от передаточного числа между шестернями 16 и 8.

Включение четвертой передачи осуществляется передвижением вправо шестерни-каретки 7 первичного вала (шестерня-каретка 19 промежуточного вала находится в нейтральном положении), при этом кулачки на правом торце шестерни-каретки 7, сцепляясь с кулачками на торце вторичного вала 10, соединяют первичный вал непосредственно с вторичным (прямая передача).

Механизм переключения коробки передач мотоцикла ИЖ-350 устроен следующим образом (рис. 106).

Рис. 106. Механизм переключения коробки передач мотоцикла ИЖ-350: 1–2 — вилки переключения передач; 3 — валики вилок переключения передач; 4 — фигурные канавки валика переключения.

В кольцевые пазы шестерен-кареток первичного и промежуточного валов входят вилки переключения 1, 2. Эти вилки могут перемещать шестерни-каретки вдоль оси соответственно первичного или промежуточного вала. Вилки переключения передач насажены на направляющих валиках 3, закрепленных в картере коробки. На обоих валиках имеются пальцы, входящие в фигурные канавки 4 валика переключения, укрепленного в картере коробки передач. При повороте валика переключения пальцы скользят внутри фигурных канавок, это вызывает осевые перемещения вилок, а следовательно, и связанных с ними шестерен-кареток.

Валик переключения поворачивается с помощью рычага переключения (с промежуточной тягой), установленного с правой стороны топливного бака, или педали переключения, расположенной с левой стороны коробки передач.

Тяга рычага ручного переключения связана с рычагом 16 (рис. 107), установленным с правой стороны коробки.

Рис. 107. Механизм переключения коробки передач мотоцикла ИЖ-350: 1 — возвратная пружина пускового механизма; 2 — сектор пускового механизма; 3 — ось педали ножного переключения; 4 — сцепление; 5 —шестерня пускового механизма; 6 — цепь моторной передачи; 7 — ведущий конец коленчатого вала двигателя; 8 — шестерня первой передачи первичного вала; 9 — шестерня второй передачи первичного вала; 10 — контрольный стержень для проверки уровня масла; 11 — шестерня третьей передачи и каретка включения второй и четвертой передач; 12 — шестерня постоянного зацепления вторичного вала; 13 — ведущая зубчатка главной передачи; 14 — вилка переключения верхняя; 15 — вилка переключения нижняя; 16 — рычаг присоединения тяги ручного переключения; 17 — зубчатый сектор-храповик; 18 — селекторный механизм; 19 — валик переключения.

Усилием этого рычага поворачивается валик с зубчатым сектором-храповиком переключения 17, который своими зубьями сцеплен с валиком переключения и поворачивает его.

Педаль переключения насажена на шлицы валика педали. На втором конце этого валика расположен селекторный механизм 18, установленный внутри сектора-храповика переключения.

В селекторном механизме (рис. 108) имеются две собачки 1 и 2, действующие в противоположные стороны.

Рис. 108. Селекторный механизм коробки передач мотоцикла ИЖ-350: 1–2 — собачки переключения; 3 — пластинчатая пружина селекторного механизма; 4 — утопители собачек.

Пластинчатая пружина 3 селекторного механизма стремится раздвинуть концы собачек.

Педаль переключения и ее валик, а следовательно, и селекторный механизм удерживаются в исходном положении с помощью возвратной пружины механизма переключения, установленной в картере коробки передач с правой стороны. При нажиме на педаль переключения вверх или вниз поворачивается валик педали и селекторный механизм. При этом одна из его собачек находит на утопитель 4, выполненный на торцовой части сектора, а вторая упирается в один из храповых зубьев на внутренней поверхности сектора и, поворачивая его, поворачивает валик переключения, т. е. производит переключение коробки передач.

Для включения первой передачи надо нажать педаль вниз. Вторая, третья и четвертая передачи включаются при подаче педали вверх. При одном нажатии на педаль (безразлично вверх или вниз от исходного положения) обеспечивается включение одной передачи.

Пусковой механизм коробки передач мотоцикла ИЖ-350 состоит из пускового рычага 7 с откидной педалью 2 (рис. 109).

Рис. 109. Пусковой механизм коробки передач мотоцикла ИЖ-350: 1 — пусковой рычаг; 2 — откидная педаль пускового рычага; 3 — затяжной болт пускового рычага; 4 — валик пускового рычага (полый); 5 — пусковой сектор; 6 — пусковая шестерня; 7 — пружина нажимная пусковой шестерни.

Пусковой рычаг с помощью затяжного болта и шпонки укреплен на полом пусковом валике 4. Сквозь него проходит валик, на котором укреплена педаль переключения. На втором конце пускового валика расположен пусковой сектор 5, который может входить в зацепление с пусковой шестерней 6, свободно установленной на барабане механизма сцепления и прижатой к нему пружиной 7.

При нажатии на педаль сектор пускового механизма вращает пусковую шестерню 6, которая с помощью храповика, выполненного на ее торцовой поверхности, вращает барабан сцепления и далее через цепь вращает и коленчатый вал двигателя. Рычаг пускового механизма возвращается в исходное положение с помощью ленточной пружины, расположенной между сектором пускового механизма и картером.

Картер коробки передач и моторной передачи заливается маслом через отверстие с пробкой. Уровень масла контролируется по меткам на щупе, установленном в правой половине картера. Для слива масла служит отверстие, закрываемое пробкой с нарезкой. Это отверстие расположено в нижней части картера, в плоскости валов коробки передач.

Устройство коробки передач мотоцикла М1А

Коробка передач мотоцикла М1А (рис. 110) относится к типу трехступенчатых, двухходовых, соосных, с подвижными шестернями постоянного зацепления.

Рис. 110. Коробка передач мотоцикла M1А: 1 — механизм сцепления; 2 — шариковый подшипник первичного вала; 3 — шестерня первой передачи первичного вала; 4—шестерня-каретка первичного вала; 5 — зубья первичного вала; 6 — шлицы первичного вала; 7 — зубчатый венец (шестерня) вторичного вала; 8 — шариковый подшипник вторичного вала; 9 — ведущая зубчатка главной передачи; 10 — опорные втулки промежуточного вала; 11 — шестерня постоянного зацепления промежуточного вала; 12 — промежуточный вал; 13 — шестерня-каретка промежуточного вала; 14 — шестерня первой передачи промежуточного вала.

Расположена коробка в неразъемном с двигателем блоке. На левом выступающем с наружной стороны картера конце первичного вала установлен механизм сцепления 1. На первичном валу с левой стороны имеется шариковый подшипник 2. Правый конец вала входит внутрь вторичного вала, где опирается на бронзовую втулку, запрессованную в отверстие вторичного вала. С левой стороны первичного вала нарезан зубчатый венец (шестерня) 3 первой передачи. Там же установлена подвижная шестерня-каретка 4, которая может соединяться с первичным валом попеременно либо своими внутренними зубьями в левой части с пятью зубьями 5 первичного вала, либо внутренними зубьями в правой части со шлицами 6 правой стороны первичного вала.

Промежуточный вал 12 коробки передач установлен в картере на двух втулках 10. На левом конце промежуточного вала свободно посажена шестерня 14 первой передачи, постоянно сцепленная с зубчатым венцом (шестерней) 3, нарезанным на первичном валу. Далее на промежуточном валу насажена подвижная шестерня-каретка 13, которая постоянно сцеплена с шестерней-кареткой 4 первичного вала. Шестерня-каретка 13 промежуточного вала может соединяться с ним так же, как шестерня-каретка 4 первичного вала, но шлицы, с которыми она соединяется, нарезаны на левой стороне этого зала, т. е. в направлении, обратном шлицам на первичном валу.

На правом конце промежуточного вала насажена шестерня 11, постоянно сцепленная с зубчатым венцом 7, нарезанным на вторичном валу. Вторичный вал установлен на шариковом подшипнике 8. На правом выступающем с правой стороны коробки передач конце вторичного вала установлена на шлицах ведущая цепная зубчатка 9 главной передачи мотоцикла.

Включение первой передачи достигается передвижением шестерен-кареток 4 и 13 (они передвигаются только вместе) в левую сторону. Шестерня-каретка 4 первичного вала при этом не будет соединена с первичным валом, а шестерня-каретка 13, передвигаясь по шлицам промежуточного вала, кулачками, выполненными с торца левой стороны, войдет в зацепление с шестерней 14 промежуточного вала, т. е. соединит последний с этой шестерней. Шестерня 14 постоянно сцеплена с шестерней 3 первичного вала. Таким образом, скорость вращения промежуточного вала относительно первичного в данном случае будет обусловливаться передаточным числом между шестернями 14 и 3. Так как шестерня (зубчатый венец) 11 промежуточного вала постоянно сцеплена с зубчатым венцом (шестерней) 7 вторичного вала, то скорость вращения последнего относительно промежуточного будет определяться передаточным числом между шестернями 11 и 7.

При передвижении шестерен 4 и 13 вправо обе каретки будут соединены со своими валами и скорость вращения промежуточного вала относительно первичного будет зависеть от передаточного числа между шестернями 4 и 13. Вращение вторичного вала относительно промежуточного будет происходить в данном случае так, как это было описано выше.

Приведенное положение шестерен соответствует второй передаче.

Для включения третьей передачи шестерни 4 и 13 передвигаются еще дальше вправо. При этом шестерня 13 промежуточного вала выходит из соединения с ним, а шестерня 4, передвигаясь по шлицам первичного вала, с помощью кулачков на своей торцовой части сцепляется с кулачками вторичного вала, т. е. обеспечивается непосредственное соединение первичного вала со вторичным (прямая передача).

Для передвижения шестерен служит кулачок 1 перевода шестерен (рис. 111), передвигающий обе шестерни одновременно.

Рис. 111. Механизм переключения передач мотоциклов M1А: 1 — кулачок перевода; 2 —сектор механизма переключения; 3 —ось; 4 — основание (кронштейн); 5 — пружина; 6 — фиксатор; 7 — отверстия (окна); 8 — вилка переключения; 9 — вал переключения; 10 — педаль; 11 — возвратная пружина; 12 — пружина фиксатора; 13 — стрелка; 14 — валик указателя; 15 — рычаг указателя.

Кулачок перевода шестерен укреплен на секторе 2 механизма переключения, который установлен на оси 3. Между отверстием сектора переключения и осью имеется зазор, обеспечивающий возможность получения между ними свободного хода. Ось 3 укреплена в основании (кронштейне) 4 сектора переключения, привернутого к картеру коробки. Пружиной 5 с двумя шайбами со шплинтом, пропущенным сквозь ось, сектор переключения прижат к основанию. В нижней части сектора переключения имеется пять лунок, в которые может входить шариковый фиксатор 6. Каждому зафиксированному положению сектора соответствует определенное положение шестерен. Верхняя часть сектора выполнена в виде рычага с двумя отверстиями 7, в которые могут по очереди входить зубья вилки переключения 8.

Вилка переключения насажена на шлицы вала переключения 9,на противоположном конце которого закреплена педаль переключения 10. В исходном положении вилка переключения, а следовательно, и валик с педалью удерживаются возвратной пружиной 11. Ход вилки ограничивается с помощью пальца, который перемещается между ограничительными упорами.

С правой стороны коробки передач установлен указатель передач. Он состоит из стрелки 13, которая показывает на одну из цифр, выбитых на картере. Стрелка насажена на валик указателя 14 с помощью рычага 15, постоянно связанного с сектором переключения. При нажиме на педаль один из зубьев вилки входит в соответствующее отверстие в рычаге сектора переключения. Рычаг поворачивает сектор и с помощью кулачка перевода шестерен включает их.

За один нажим на педаль включается только одна передача коробки передач. Первая (низшая) передача включается при перемещении педали вниз, а две другие при движении вверх. После каждого нажима под действием возвратной пружины педаль возвращается в исходное положение.

Устройство пускового механизма коробки передач мотоцикла М1А аналогично устройству пускового механизма коробки передач мотоцикла ИЖ-350.

Масло в коробку передач мотоцикла М1А заливается через отверстие с пробкой на резьбе. На пробке имеется щуп с метками, служащий для определения уровня масла. Сливается масло через специальную пробку, расположенную в нижней части картера, в плоскости валов коробки передач.

Устройство коробки передач мотоцикла К-125 аналогично устройству коробки передач мотоцикла М1А.

Обслуживание коробки передач

Обслуживание коробки передач заключается в своевременном контроле за уровнем масла, пополнении его и периодической замене отработанного масла новым.

Коробка передач мотоциклов М1А никакой регулировки не требует. У мотоциклов ИЖ-350 и ИЖ-49 можно изменять длину тяги ручного механизма переключения. Механизм переключения коробки передач М-72 нуждается в регулировке.

При правильно отрегулированном механизме переключения мотоцикла М-72 должна быть обеспечена синхронность действия педали переключения и сектора переключения. Для этой цели имеются регулировочные винты, о которых говорилось выше. Эти винты должны быть установлены так, чтобы фиксирующие лунки сектора переключения на всех передачах точно доходили до шарика фиксатора.

Отсутствие синхронности в действии педали переключения и сектора переключения можно обнаружить следующим образом.

При переходе с низшей передачи на высшую, т. е. при подъеме передней части педали переключения вверх до отказа, сектор переключения перемещается недостаточно и фиксирующая лунка не доходит до шарика фиксатора. Это легко обнаружить, положив руку на рычаг ручного переключения. Когда педаль поднята до отказа, ручной рычаг легко перемещается несколько вперед и только после этого четко фиксируется положение нужной передачи. В данном случае надо вывернуть нижний регулировочный винт кривошипа собачек (предварительно отпустив контргайку).

При переходе с низшей передачи на высшую сектор переключения излишне перемещается и фиксирующая лунка сектора переключения проходит шарик фиксатора. В этом случае надо ввернуть нижний регулировочный винт кривошипа собачек.

При переходе с высшей передачи на низшую, т. е. при опускании передней педали переключения вниз до отказа, сектор переключения перемещается недостаточно и фиксирующая лунка сектора не доходит до шарика фиксатора. В этом случае необходимо, отпустив контргайку, вывернуть верхний регулировочный винт кривошипа собачек.

Регулировка механизма переключения коробки передач мотоцикла М-72 показана на рис. 112.

Рис. 112. Регулировка механизма переключения коробки передач мотоцикла М-72.

Неисправности коробки передач, меры их предупреждения и устранение

Надежная работа коробки передач в основном зависит от четкой работы механизма сцепления. В случае нечеткого выключения дисков сцепления, т. е. когда сцепление «тянет», при переключении передач происходят резкие удары деталей механизма включения, поэтому повышается износ кулачков и даже происходит их выкрашивание. Подобная же картина наблюдается при переключении передач без выключения сцепления. Водитель должен помнить, что при переключении передач выключать механизм сцепления следует обязательно — игнорирование этого правила может привести к самым тяжелым последствиям.

Износ деталей механизма переключения коробки передач обнаруживается в первую очередь по выскакиванию включенной передачи.

Во время движения мотоцикла, после того как очередная передача включена, замечается сначала легкое проскакивание кулачков, которое прекращается, если уменьшить подачу газа. Обычно при несколько изношенных кулачках это явление возникает при резкой подаче газа или ухудшении дорожных условий, т. е. в тех случаях, когда усилия, действующие в коробке передач, особенно возрастают. При незначительном износе деталей механизма включения проскакивание происходит редко, затем по мере износа оно прогрессирует и, наконец, пользоваться передачей, кулачки которой износились, становится невозможно.

Наиболее подвержены износу детали механизма включения промежуточных передач коробки передач.

В том случае, когда происходит проскакивание или выскакивание какой-либо передачи, коробку передач следует разобрать и изношенные детали заменить новыми. Отремонтировать изношенные детали, как правило, невозможно.

У мотоциклов М-72, М1А и К-125 выскакивание деталей механизма переключения вызывается ослаблением фиксатора. Поэтому, если при разборке коробки передач этих мотоциклов не обнаружено износа деталей, то причиной неисправности является ослабление или даже поломка пружины фиксатора.

Исправная пружина фиксатора коробки передач мотоцикла М-72 должна иметь длину 9,75 мм под нагрузкой в пределах 5,2–6,2 кг. Эта же пружина коробки передач мотоциклов M1А и К-125 исправном состоянии должна быть длиной 18 мм при нагрузке в пределах 4–6 кг. Если пружина фиксатора не удовлетворяет этому условию, ее следует заменить новой.

Естественный износ коробки передач при длительной ее эксплуатации выражается в усиленном шуме шестерен вследствие износа их зубьев, а также подшипников и втулок. Отметим, что усиленный шум, сопровождаемый ненормальным перегревом, может наблюдаться и у новой коробки передач, когда ее части еще недостаточно приработались. Если такое явление наблюдается, движение следует прекратить, дать коробке передач остыть и только после этого продолжать движение.

Наиболее часто возникают неисправности в пусковом механизме коробки передач.

Если пусковая педаль не возвращается в исходное положение, значит, поломана возвратная пружина пускового механизма и ее надо заменить новой.

В случае износа или поломки собачки пускового механизма мотоцикла М-72, а у мотоциклов ИЖ-350, М1А и К-125 — храповых зубьев пусковой шестерни при нажатии пусковой педали не будет проворачиваться двигатель. В этом случае следует проверить состояние следующих пружин пускового механизма: у мотоцикла М-72 — пружины собачки пускового механизма, которые в исправном состоянии под нагрузкой 53,5—54,5 кг должны иметь длину 7 мм, а у мотоциклов ИЖ-350, М1А и К-125 — нажимную пружину шестерни пускового механизма. Пружина мотоцикла ИЖ-350 под нагрузкой 2 кг должна сжаться до 10 мм, а у мотоциклов M1А и К-125 под нагрузкой 1,3–17 кг сжаться до 9 мм. Если обнаружено ослабление этих пружин, их необходимо заманить новыми.

У мотоцикла М-72 при возвращении пускового механизма в исходное положение после нажатия педали обратный удар храпового механизма смягчается буфером, ввернутым в дно картера коробки передач. При неблагоприятном совпадении размерности деталей и при особо сильном обратном ударе, например, вследствие преждевременной вспышки в двигателе из-за слишком раннего момента зажигания удар храповика о буфер достигнет такой силы, что часть днища картера коробки передач, в которую ввернут буфер, может быть выломана.

Поломка днища требует замены картера. Чтобы предотвратить эту поломку, надо быть особенно осторожным и не допускать при запуске обратных вспышек в двигателе.

Зимой при низкой температуре в случае запуска холодного двигателя при втором нажатии на педаль пускового механизма храповые зубья или собачка пускового механизма могут не войти в зацепление с сопрягающимися деталями и пусковой механизм не будет проворачивать коленчатый вал двигателя. Причиной этого бывает чрезмерное застывание масла вследствие низкой температуры его. Неисправность предотвращается соблюдением мероприятий, необходимых при запуске двигателя в зимнее время.

Заметим, что коробка передач современного мотоцикла — вполне надежный и износоустойчивый механизм. Соблюдение необходимых правил при переключении, своевременная регулировка сцепления, периодическая замена и долив масла обеспечивают безотказную работу всех механизмов коробки передач на протяжении длительного срока эксплуатации мотоцикла.

Более 800 000 книг и аудиокниг! 📚

Получи 2 месяца Литрес Подписки в подарок и наслаждайся неограниченным чтением

ПОЛУЧИТЬ ПОДАРОК