2. Сцепление

We use cookies. Read the Privacy and Cookie Policy

Назначение, устройство и расположение сцепления

Сцепление служит для полного отъединения коленчатого вала двигателя от коробки передач при остановках мотоцикла и при переключении передач, а также для плавного соединения коленчатого вала двигателя с коробкой передач при трогании с места и при разгоне.

На рис. 91 приведена схема простейшего сцепления.

Рис. 91. Устройство механизма сцепления: 1 — ведущий диск; 2 — ведомый диск; 3 — пружина сцепления.

Из этого рисунка видно, что при вращении вала вращается ведущий диск 1, к которому приклепан фрикционный материал. К рабочей части ведущего диска усилием пружины 3 прижат ведомый диск 2. Этот диск с помощью шлицев соединяется с ведомым валиком сцепления, на конце которого насажена зубчатка. Если ведомый диск прижат пружиной к ведущему, то все усилие, воспринимаемое ведущим диском, передается ведомому и далее зубчатке. Если же с помощью какого-либо механизма, преодолевая усилие пружины, постепенно отодвигать ведомый диск от ведущего, то вначале между ними будет происходить проскальзывание, а затем каждый из дисков будет вращаться или стоять совершенно независимо один от другого, т. е. сцепление будет выключено.

При включении сцепления пружина постепенно отпускается, давление пружины на диски возрастает и ведущий диск поворачивает ведомый. Сначала вращение происходит с проскальзыванием между дисками (или, как говорят, с «пробуксовкой»), по мере возрастания давления пружины буксование уменьшается, и, наконец, сцепление будет передавать полное усилие, вращаясь как одно целое.

Приведенная схема принципиально сохраняется для всех типов механизмов сцепления, применяемых на мотоциклах.

Сцепление любой конструкции состоит из следующих основных частей:

— ведущей части, к которой относятся детали, постоянно соединенные с валом двигателя;

— ведомой части, к которой принадлежат все детали, связанные с передаточными механизмами силовой передачи мотоцикла;

— силового элемента (пружин), обеспечивающего трение между ведущей и ведомыми частями, достаточное для передачи усилия на ведущее колесо;

— механизма управления сцеплением, посредством которого включают и выключают сцепление.

Сцепление должно обладать следующими основными качествами:

— чистотой выключения, т. е. при выключенном сцеплении не должно быть заметного трения между ведущей и ведомой частями сцепления;

— плавностью включения, что характеризуется постепенной (прогрессивной) передачей усилия от ведущей части сцепления к ведомой;

— отсутствием буксования, т. е. при включенном сцеплении не должно быть проскальзывания между ведущей и ведомой частями сцепления.

На мотоцикле сцепление может быть расположено непосредственно на валу двигателя, на валу коробки передач или во втулке ведущего колеса мотоцикла.

По соображениям конструктивного порядка для мотоциклов с двигателем, ось вращения коленчатого вала которого параллельна оси рамы, принято устанавливать механизм сцепления на валу двигателя (обычно в маховике), а для мотоциклов с двигателем, ось вращения коленчатого вала которого перпендикулярна оси рамы механизма сцепления, — на валу коробки передач.

Установка механизма сцепления во втулке ведущего колеса имеет ряд конструктивных и эксплуатационных неудобств и на современных мотоциклах почти не применяется.

Наиболее распространено на мотоциклах дисковое сцепление.

Дисковые сцепления различных типов отличаются между собой по количеству дисков и по принципу смазки механизма.

По количеству дисков механизмы сцепления разделяются на однодисковые, двухдисковые и многодисковые. За количество дисков сцепления принимается число ведомых дисков.

По принципу смазки механизмы сцепления бывают сухие, полусухие и мокрые (масляные).

В сцеплении сухого типа диски работают в среде, свободной от масляной пыли. Попадание масла на рабочие поверхности дисков у этого типа сцепления вызывает пробуксовывание дисков.

Сцепление полусухого типа выполнено так, что может работать в без масла.

Сцепление мокрого типа должно обязательно работать в масле. Отсутствие масла вызывает у сцепления этого типа различные неисправности, например, задир рабочих поверхностей, коробление дисков и т. п.

Так как величина передаваемого через сцепление усилия находится при прочих равных условиях в прямой зависимости от площади трения рабочих поверхностей сцепления, то вполне очевидно, что сцепления с меньшим количеством дисков должны иметь больший диаметр, чем сцепления многодискового типа. Поэтому сцепление с одним или двумя дисками применяется чаще на мотоциклах с двигателем, ось коленчатого вала которого параллельна оси рамы. Это объясняется тем, что у двигателей такого типа можно разместить сцепление сравнительно большего диаметра.

В тех случаях, когда диаметр сцепления значительно ограничен, например в случае установки сцепления на валу коробки передач, применяется многодисковое сцепление.

Для повышения трения между рабочими поверхностями дисков сцепления одна из групп дисков (обычно ведомая) снабжается накладками или вставками из материалов, обладающих высокими фрикционными свойствами. Иногда весь диск изготовляется из материала подобного типа. Из числа таких материалов наибольшее распространение получила пробка, асбестовый картон, тканный материал из асбестовых волокон с медными нитками и специальные пластмассы.

Металлические диски изготовляются из стали различных марок.

Устройство сцепления мотоцикла М-72

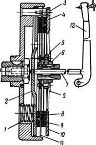
Сцепление мотоцикла М-72 установлено в маховике двигателя. Оно представляет собой дисковое сцепление сухого типа. До 1944 г. на мотоциклах М-72 применялось сцепление однодисковой системы, которое быстро изнашивалось и работало неудовлетворительно. Поэтому впоследствии оно было заменено двухдисковым аналогичной конструкции (рис. 92 и 93).

Рис. 92. Двухдисковое сцепление мотоцикла М-72: 1 — пружины; 2 — нажимной диск; 3 — винты; 4 — накладка ведомого диска; 5 — маслоотражатель; 6 — ступица; 7 — стержень выжима сцепления; 8 и 9 — ведомые диски; 10 — упорный диск; 11 — промежуточный диск; 12 — рычаг выключения сцепления.

Рис. 93. Сцепление мотоцикла М-72 (в разобранном виде): 13 — сальник; 14 — наконечник; 15 — сепаратор с шариками; 16 — ползун; 17 — резиновое уплотняющее кольцо; 18 — кронштейн; 19 — ось; 20 — стяжной болт хомута; 21 — шплинт.

В маховик на равном расстоянии по окружности запрессовывается шесть ведущих пальцев. Между пальцами в цилиндрические углубления, расположенные на равном расстоянии по окружности, устанавливается шесть пружин 1. На пальцы надевается стальной ведущий нажимной диск 2, опирающийся на пружины кольцевыми выточками, которые находятся на этом диске со стороны, обращенной к пружинам. После установки нажимного диска 2 устанавливается ведомый диск 8, затем промежуточный диск 11, потом ведомый диск 9. К центру этого диска приклепана ступица 6 со шлицами, а по окружности к нему приклепываются накладки из асбестового картона или металлоасбестовой ткани. Ведомый диск 9 с накладками по своему устройству аналогичен диску 8, но имеет с внешней стороны маслоотражатель 5. Отверстия на ведомых дисках предназначены для установки их по центру при сборке механизма сцепления. Пружины сцепления сжимаются стальным упорным диском 10. Диск прикрепляется винтами 3 к торцам пальцев маховика. Таким образом, сцепление состоит из трех стальных ведущих дисков 2, 10 и 11 со шлифованными рабочими поверхностями. Эти диски связаны с маховиком двигателя при помощи пальцев и двух ведомых дисков 8 и 9 с фрикционными накладками. Ведомые диски при помощи ступиц 6, надевающихся на шлицы первичного валика коробки передач, передают усилие силовой передаче. Нажимной диск 2 и промежуточный диск 11 могут свободно перемещаться вдоль пальцев маховика, поэтому давление пружин на нажимной диск передается всем дискам сцепления. Каждая пружина в сжатом состоянии оказывает давление до 18 кг, следовательно, общее усилие пружин сцепления составляет около 110 кг.

Силы трения, возникающие между рабочими поверхностями дисков, создают момент трения, обеспечивающий передачу вращения от ведущих дисков к ведомым (сцепление включено). При включенном сцеплении коленчатый вал двигателя и первичный вал коробки передач соединяются и вращаются как одно целое. Для разъединения указанных валов сцепление должно быть выключено.

Сцепление выключается механизмом выключения, который состоит из стержня (штока) 7 с сальником 13 (рис. 93) и наконечником 14, сепаратора 15 с шариками, ползуна 16 с резиновым уплотняющим кольцом 17 и рычага выключения сцепления 12, соединенного с кронштейном 18 осью 19. Кронштейн с рычагом сцепления устанавливается на выступающей втулке заднего подшипника первичного вала коробки передач и зажимается стяжным болтом. Рычаг 12 соединяется тросом при помощи специального регулировочного винта с рычагом сцепления, установленным на левой рукоятке руля. При нажиме на рычаг сцепления трос поворачивает рычаг 12 на оси, при этом его выступ упирается в ползун 16. Ползун через упорный шарикоподшипник давит на стержень 7, а стержень, преодолевая сопротивление пружин, отводит нажимной диск 2. В результате этого трение между ведущими и ведомыми дисками прекращается (механизм сцепления выключен).

Для нормальной работы сцепления ведущие диски должны свободно перемещаться вдоль пальцев маховика. Рабочие поверхности дисков сцепления должны быть ровными, сухими и хорошо прилегать одна к другой.

Масло, попадающее из картера двигателя в сцепление через сальник маховика, может вызвать пробуксовывание дисков. С целью предотвращения попадания масла на рабочие поверхности дисков установлен маслоотражатель 5, который отбрасывает масло к стенкам картера. Масло, попадая на стенки, стекает вниз и через сливное отверстие в нижней части картера вытекает наружу.

Резиновое кольцо 17, установленное на ползуне, препятствует вытеканию масла из коробки передач, а фетровый сальник, установленный на стержне выключения сцепления, предотвращает попадание масла в сцепление через отверстия первичного вала коробки передач.

Устройство сцепления мотоцикла ИЖ-350

Сцепление мотоцикла ИЖ-350 является многодисковым мокрого (масляного) типа (рис. 94).

Рис. 94. Сцепление мотоцикла ИЖ-350: 1 — нажимной фасонный диск; 2 — гайка с левой резьбой; 3 — специальные гайки; 4 — болты; 5 — стаканчик пружины сцепления; б — ведущий барабан сцепления; 7 — ведомый барабан сцепления; 8 — диски сцепления.

Оно установлено на валу коробки передач, с левой стороны, в картере моторной передачи, образующим масляную ванну.

Коленчатый вал двигателя посредством приводной цепи связан с ведущим барабаном 6 сцепления. Ведущий барабан сцепления выполнен с цепной зубчаткой как одно целое и вращается свободно на первичном валу коробки передач, который проходит внутрь этого барабана. На конце первичного вала коробки передач на мелких шлицах установлен ведомый барабан 7 сцепления. От соскакивания барабан удерживается гайкой 2, которая имеет левую резьбу, и шайбой.

Ведущие диски выполняются из стали с пробковыми вкладышами или из пластмассы. С наружной стороны на дисках имеются выступы, входящие в соответствующие пазы ведущего барабана сцепления.

Ведомые диски стальные гладкие, с внутренней стороны на них имеются зубья, входящие в соответствующие шлицы ведомого барабана сцепления. В ведомом барабане сцепления установлено пять болтов 4, которые входят внутрь стаканчиков 5. Эти стаканчики устанавливаются в соответствующие отверстия нажимного фасонного диска 1. Нажимной диск опирается на крайний из дисков сцепления. В стаканчики закладывается пять пружин сцепления, которые одной стороной опираются в дно стаканчика, а другой в специальные гайки 3, навинчиваемые на болты 4.

Из приведенного описания и рисунка становится ясным, что под действием силы пружин сцепления нажимной фасонный диск 1 сжимает диски 8 и ведущий и ведомый барабаны сцепления вращаются как одно целое (сцепление включено).

Выключается сцепление с помощью червяка, установленного в правой крышке картера. Червяк выключения сцепления связан с рычагом, который с помощью троса поворачивает червяк, перемещая его по нарезке в горизонтальной плоскости.

Трос выключения сцепления управляется рычагом, установленным на руле с левой стороны.

В исходное положение рычаг выключения сцепления возвращается под действием возвратной пружины червяка выключения сцепления, которая одним концом связана с этим рычагом, а другим закреплена в стенке крышки картера. Червяк выключения сцепления через упорный шарик нажимает на стержень выключения сцепления, проходящий сквозь первичный вал коробки передач, и упирается в нажимной фасонный диск сцепления. Опорная поверхность стержня выключения сцепления увеличена за счет утолщения, а место опоры на внутренней стороне нажимного диска усилено приваренной к диску чашкой, в которую упирается утолщенный конец стержня выключения сцепления.

Для предотвращения вытекания масла на стержень (между червяком выключения сцепления и зубчаткой главной передачи) надет защитный колпачок из бензомаслостойкой резины. Для изменения величины свободного хода червяка относительно стержня в него ввернут регулировочный винт, закрепленный контргайкой.

Рассмотрим работу сцепления мотоцикла ИЖ-350. При нажиме рычага сцепления на руле трос, натягиваясь, поднимает вверх рычаг выключения сцепления, который, будучи закреплен на червяке выключения сцепления, поворачивает этот червяк и тем самым перемещает его в горизонтальной плоскости в левую сторону.

Через упорный шарик червяк нажимает на стержень выключения сцепления, а далее на нажимной фасонный диск. Преодолевая усилие пружины сцепления, он перемещает стержень выключения сцепления справа налево, тем самым отодвигая влево нажимной диск, т. е. разгружая ведущие и ведомые диски от усилия пружин сцепления, сжимавшего их. По мере ослабления действия пружин сцепления, ведущие и ведомые диски начинают между собой пробуксовывать и механизм сцепления выключается. При опускании рычага сцепления на руле трос перестает тянуть рычаг выключения сцепления, который под действием возвратной пружины рычага выключения сцепления возвращает червяк в исходное положение. Стержень выключения сцепления и нажимной фасонный диск под действием пружин оцепления перемещаются направо, и нажимной диск сжимает ведомые и ведущие диски, т. е. механизм сцепления включается.

Устройство сцепления мотоцикла M1А

Сцепление мотоцикла М1А относится к многодисковому мокрому (масляному) типу. В основном расположение, устройство и конструкция сцепления этого мотоцикла аналогичны расположению, устройству и конструкции сцепления мотоцикла ИЖ-350. Отличие заключается в том, что в сцеплении мотоцикла М1А имеются три ведущих стальных диска со вкладышами из пробки. Число ведомых стальных дисков соответствует ведущим.

По сравнению со сцеплением мотоцикла ИЖ-350 детали сцепления мотоцикла М1А имеют следующее конструктивное различие. Ведущая зубчатка механизма сцепления (рис. 95) выполнена не вместе с ведущим барабаном сцепления, как у мотоцикла ИЖ-350, а приклепана к нему шестью стальными заклепками.

Рис. 95. Сцепление мотоцикла M1А: 1 — нажимной диск; 2 — пружина сцепления; 3 — ведущий барабан сцепления; 4 — ведущая зубчатка сцепления; 5 — заклепка; 6 — пусковая шестерня; 7 — пружина пусковой шестерни; 8 — диски сцепления.

По сравнению с пружинами сцепления мотоцикла ИЖ-350 конструкция пружин сцепления мотоцикла М1А упрощена. Пружины не имеют опорных стаканчиков и винтов, а одним из своих концов ввернуты в соответствующие отверстия в стенке ведомого барабана сцепления. Другой конец каждой из пружин сцепления загнут в виде крючка, который зацепляется за нажимной фасонный диск сцепления. Пружин сцепления пять. Рычаг выключения сцепления перемещается не в вертикальной плоскости, как у мотоцикла ИЖ-350, а в горизонтальной. Стержень выключения сцепления состоит из двух частей разной длины. На левой короткой его части имеется утолщение, увеличивающее опорную поверхность стержня при давлении на нажимной диск. Вытекание масла из отверстия предотвращает войлочный сальник, поставленный в первичном валу коробки передач.

Действие сцепления мотоцикла М1А аналогично действию сцепления мотоцикла ИЖ-350.

Такое же сцепление применяется на мотоцикле К-125, но с ведущими дисками из пластмассы и с большим числом дисков.

Обслуживание сцепления

Уход за механизмом сцепления мотоциклов М1А и ИЖ-350 заключается в своевременном пополнении и смене масла, заливаемого в картер моторной передачи, и в регулировке свободного хода выключения сцепления.

Выключение сцепления мотоциклов M1А и ИЖ-350 регулируется следующим образом. Освободив с помощью гаечного ключа контргайку (рис. 96) регулировочного винта выключения сцепления, отверткой отвертывают или завертывают регулировочный винт (одновременно удерживая ключом контргайку) до тех пор, пока не будет получен необходимый свободный ход рычага выключения сцепления.

Рис. 96. Регулировка сцепления мотоцикла М1А.

Свободный ход механизма выключения сцепления может быть проверен двумя способами: или по ходу рычага сцепления на руле (свободный ход конца этого рычага должен быть 3–5 мм), или вытаскиванием оболочки троса сцепления из упора в крышке картера. При правильно отрегулированном свободном ходе рычага выключения сцепления оболочка троса должна выходить без заметного сопротивления из упора не выше чем на 2–3 мм.

Сцепление мотоцикла М-72 смазки не требует. Регулировка его заключается в изменении длины троса сцепления при помощи регулировочного винта 2 (рис. 97).

Рис. 97. Регулировка сцепления и тормоза мотоцикла М-72: 1 — барашек регулировки тормоза; 2 — регулировочный винт сцепления.

При правильно отрегулированном натяжении троса свободный ход конца рычага сцепления на руле должен быть в пределах 3–5 мм, а выключение сцепления, ощутимое при нажиме на педаль пускового механизма, должно начинаться при перемещении этого рычага на 8—10 мм.

Неисправности сцепления, меры их предупреждения и устранение

В сцеплении в основном встречаются две неисправности: сцепление плохо выключается или, как говорят, «ведет» («тянет»); сцепление пробуксовывает.

Причиной плохого выключения сцепления обычно бывает чрезмерный свободный ход механизма выключения сцепления или перекос дисков. В первом случае необходимо отрегулировать свободный ход.

Плохое выключение сцепления вследствие перекоса дисков при выжатом сцеплении бывает довольно редко и, как правило, только у мотоциклов, имеющих значительный износ. Перекос дисков определяется обычно по нечеткому выключению сцепления при правильно установленном мертвом ходе механизма выключения. Причинами этого явления может быть ослабление некоторой части пружин сцепления или заедание одного или нескольких дисков в пазах барабана сцепления или на пальцах маховика (мотоцикл М-72).

В случае возникновения подобной неисправности у мотоциклов M1А и ИЖ-350 следует снять левую крышку картера (моторной передачи) и, нажимая на рычаг сцепления на руле, проверить, как отходит нажимной диск. Если диск отходит только одной стороной, пружины сцепления, установленные с этой стороны, ослабли. Для устранения этого недостатка у мотоцикла М1А лучше заменить все пружины сцепления новыми. Если новых пружин нет, то рекомендуется переставить пружины сцепления так, чтобы ослабленная пружина приходилась между двумя исправными. У мотоцикла ИЖ-350 усилие каждой пружины сцепления можно регулировать, завертывая или вывертывая упорные винты. Регулируя усилия пружин, добиваются равномерности отхода нажимного диска. Завертывать все упорные винты следует одновременно, причем не более чем на 1/4 оборота. При этом каждый раз следует проверять, как отходит нажимной диск.

Перекос дисков сцепления вследствие заедания опорных выступов дисков в пазах ведущего барабана сцепления мотоциклов M1А и ИЖ-350 наступает вследствие неравномерного износа некоторых пазов (рабочая часть пазов покрывается зазубринами; зазубрины следует осторожно удалить с помощью напильника).

У мотоциклов М-72 нельзя непосредственно наблюдать перекосы дисков сцепления. Поэтому для определения и устранения неисправностей в этом сцеплении требуется полностью разобрать его. После того как разборка произведена, следует сравнить длину пружин сцепления. Разница в длине исправных пружин не должна превышать 2,5 мм. Пружины сцепления, не соответствующие этому требованию, следует заменить новыми.

Односторонние канавки на пальцах маховика указывают на перекос соответствующих дисков. Такие пальцы необходимо заменить новыми.

Шлицы ведомых дисков и выступающего конца первичного вала коробки передач необходимо зачистить.

Диски могут быть покороблены, их рабочая поверхность может быть покрыта задирами и рисками. Такие диски следует притереть с помощью наждака или шкурки.

Если механизм выключения отрегулирован правильно, то пробуксовывание обычно вызывается износом рабочих поверхностей дисков. У мотоцикла M1А износу подвергаются пробковые вкладыши, а у мотоциклов ИЖ-350 пластмассовые диски. Эти изношенные детали следует заменить новыми.

У мотоцикла М-72 пробуксовывание сцепления может быть вызвано попаданием масла на рабочие поверхности. Для устранения этой неисправности требуется так же, как и в случае износа рабочих поверхностей дисков сцепления, полностью разобрать сцепление.

Сцепление мотоциклов работает в тяжелых условиях, с относительно тяжелыми нагрузками, поэтому сбережение его имеет весьма существенное значение.

Для сбережения сцепления рекомендуется выполнять следующие правила:

1. Не трогаться с места при больших оборотах коленчатого вала двигателя и на второй — третьей передаче, так как при этом трение в сцеплении значительно возрастает.

2. Тщательно следить за регулировкой свободного хода механизма выключения сцепления и своевременно проводить надлежащую регулировку свободного хода.

3. Трогаться с места не «рывком», а плавно, медленно отпуская рычаг сцепления.

4. Не регулировать скорость движения мотоцикла за счет пробуксовки сцепления. Своевременно включать нужные передачи.

Более 800 000 книг и аудиокниг! 📚

Получи 2 месяца Литрес Подписки в подарок и наслаждайся неограниченным чтением

ПОЛУЧИТЬ ПОДАРОК