3. Карбюрация

We use cookies. Read the Privacy and Cookie Policy

Распыление, испарение и смешивание горючего с воздухом называется карбюрацией, а прибор, при помощи которого это достигается, называется карбюратором.

Превращение горючего из жидкого состояния в парообразное (газообразное) осуществляется различными способами: распылением горючего, обдувом мелких капелек горючего воздухом, понижением давления воздуха в месте, где происходит распыление и испарение горючего, подогревом горючего или применением легко испаряющегося горючего.

К горючей смеси, полученной этими способами, предъявляется ряд требований. Она должна быть такой, чтобы горючее было в парообразном состоянии к моменту ее воспламенения, состав горючего внутри цилиндра был однородный, состав смеси во всех цилиндрах был одинаковый, горючая смесь обеспечивала наивыгоднейшее протекание рабочего процесса на данном режиме.

Горючая смесь

Состав горючей смеси, образуемой в карбюраторе и поступающей затем в цилиндр двигателя, зависит от режима работы двигателя.

Для полного сгорания различного горючего требуется различное количество воздуха. Так, для полного сгорания 1 кг бензина требуется 15 кг воздуха, а для сгорания 1 кг спирта — 8,9 кг воздуха.

Смесь, при которой происходит полное сгорание горючего с использованием всего кислорода, находящегося в данном количестве воздуха, называется нормальной. Если горючего в смеси больше, чем в нормальной, смесь называется богатой. Если же в смеси горючего меньше, чем в нормальной, и после сгорания в отработавших газах остается неиспользованный кислород, то такая смесь носит название бедной.

Но обогащение и обеднение смеси не должны быть слишком велики, так как при излишнем обогащении или обеднении горючая смесь уже не воспламеняется.

Соотношение воздуха и горючего, при котором испарившееся горючее, смешанное с воздухом, теряет способность воспламеняться, называется пределом горючести.

Различают для каждого сорта горючего два предела горючести — высший и низший.

При нормальных рабочих режимах и при нормальном тепловом состоянии двигателя пределы горючести разных сортов горючего различны, например, бензина 6,0—20,11, бензола 6,07–16,47, этилового спирта 3,78–15,75. Отсюда следует, что низший предел горючести, например, бензина будет при смеси 1 кг бензина и 6 кг воздуха, высший предел — 1 кг бензина и 20,11 кг воздуха.

В действительности состав смеси во время работы двигателя изменяется в значительно меньших пределах. В практике это имеет важное значение, так как при этом обеспечивается наивыгоднейшее протекание рабочего процесса двигателя, а следовательно, максимальная его мощность или максимальная экономичность.

При некотором обогащении смеси происходит наиболее быстрое сгорание рабочей смеси и за счет этого двигатель развивает максимальную мощность.

Наибольшая экономичность работы двигателя достигается в том случае, когда смесь несколько обеднена.

Состав смеси, обеспечивающей получение максимальной мощности, называется мощностным, а состав смеси, обеспечивающий максимальную экономичность, называется экономичным.

Влияние состава смеси на работу двигателя

По мере обогащения смеси в работе двигателя происходят следующие изменения: мощность двигателя и детонационные стуки вначале начинают расти, а затем постепенно уменьшаются; температура стенок и головки цилиндра уменьшается; наполнение цилиндров двигателя смесью увеличивается; приемистость двигателя при резком открытии дроссельного золотника повышается.

Увеличение мощности двигателя при составе смеси, близком к мощностному, происходит потому, что, несмотря на некоторый недостаток воздуха, увеличивается скорость сгорания и выделяется большее количество тепла, чем при нормальном.

При необогащенном составе смеси резкое открытие дроссельного золотника вызывает временное обеднение смеси, поступающей в цилиндры, вследствие того, что при этом скорость воздуха, обладающего меньшей инерцией, чем горючее, быстро увеличивается, а скорость горючего возрастает медленнее. Кроме того, большое количество воздуха, поступающего в карбюратор, резко понижает температуру смеси и уменьшает разрежение. За счет резкого обеднения смеси мощность двигателя падает, так как смесь сгорает очень медленно. Нагрузка на двигатель и обороты коленчатого вала возрастают спустя некоторое время после открытия дроссельного золотника, когда смесь, поступающая в цилиндр, приобретает новую скорость, но уже такую, при которой рабочий процесс будет протекать нормально.

При обогащенном составе смеси резкое открытие дроссельного золотника также вызовет уменьшение подачи горючего, но при этом состав смеси будет лишь приближаться к мощностному.

При работе на смеси переобогащенного состава наблюдается дымный выпуск и «выстрелы» в глушителе. Дымный выпуск является следствием неполного сгорания горючего, а «выстрелы» в глушителе происходят потому, что поступающие в него пары несгоревшего горючего сгорают при смешивании с имеющимся в глушителе воздухом. Этому способствует также и замедление сгорания переобогащенной смеси, продолжающееся и на такте выпуска.

Работа на переобогащенной смеси сопровождается чрезмерным расходом горючего, значительным нагарообразованием, быстрым загрязнением масла частицами нагара и засорением глушителя.

При обедненном составе смеси скорость сгорания уменьшается, давление газов в цилиндре двигателя падает. Это объясняется тем, что при сгорании смеси обедненного состава тепла выделяется меньше, кроме того, часть его тратится на нагревание избыточною воздуха.

При значительном обеднении скорость сгорания смеси настолько замедляется, что горение продолжается на такте расширения, выпуска и даже на такте впуска. В этом случае при открывании впускного клапана пламя распространяется во впускной патрубок и карбюратор, что вызывает хлопки.

Перегрев двигателя, наблюдаемый при составе смеси, близком к экономичному, приводит к чрезмерному повышению температуры стенок камеры сжатия, электродов свечей, выпускных клапанов и днища поршня. Вызывается он медленным догоранием смеси на тактах расширения и выпуска; при этом имеющийся в продуктах сгорания неиспользованный кислород способствует прогоранию выпускных клапанов.

Режим работы двигателя

Мотоциклетный двигатель работает на следующих режимах: запуск холодного двигателя; холостой ход; средние нагрузки; полная нагрузка; резкое открытие дроссельного золотника.

Запуск холодного двигателя затруднен тем, что при проворачивании коленчатого вала двигателя в цилиндре и карбюраторе не могут быть созданы условия, обеспечивающие хорошее испарение горючего: стенки карбюратора и цилиндра холодные, разрежение и скорость воздуха незначительны. При этих условиях будут испаряться и поступать в цилиндр двигателя только наиболее легко испаряющиеся части горючего, а остальное горючее останется на стенках карбюратора и впускной трубы в жидком виде. Для облегчения запуска необходимо распылить значительное количество горючего, чтобы испарившиеся легкие его частицы образовали с воздухом горючую смесь, состав которой был бы близок к мошностному. Поэтому при запуске двигателя карбюратор должен подавать избыточное количество горючего в соотношении 1 кг горючего на 3–4 кг воздуха.

При работе двигателя на холостом ходу количество горючей смеси, поступающей в цилиндры двигателя, составляет 15–20 % количества ее при полном открытии дроссельного золотника. Вследствие этого в цилиндре останется большое количество отработавших газов и смесь будет гореть медленнее. Кроме того, небольшая скорость движения воздуха за дроссельным золотником не обеспечивает хорошего перемешивания горючего с воздухом и полного испарения горючего.

По этим причинам для нормальной работы двигателя на холостом ходу необходимо подавать в цилиндры двигателя горючую смесь, состоящую из 7,5—10 кг воздуха на 1 кг горючего.

Основным режимом работы дорожного мотоцикла является режим средних нагрузок, на котором двигатель мотоцикла работает при неполном открытии дроссельного золотника и числе оборотов двигателя ниже максимальных. Так как на режиме средних нагрузок двигателе работает большую часть времени, то для уменьшения расхода горючего в цилиндры двигателя подают горючую смесь, состав которой близок к экономичному составу, т. е. 16–16,5 кг воздуха на 1 кг горючего. Но поскольку при данном составе смеси приемистость двигателя недостаточная, обычно на средних нагрузках подают в цилиндры двигателя несколько обогащенную смесь.

Работа двигателя на полных нагрузках и при экономичном составе смеси является нежелательной, так как при этом двигатель перегревается и не развивает максимальной мощности.

С целью получения максимальной мощности двигатель должен работать при полной нагрузке на смеси мощностного состава, в которой на 1 кг горючего приходится 12,5—13 кг воздуха.

Таким образом, в соответствии с изменением режима работы двигателя должен изменяться и состав горючей смеси.

Принцип работы мотоциклетного карбюратора

Мотоциклетный карбюратор работает по принципу распыливания горючего. Поэтому он называется распылительным, или пульверизационным, карбюратором.

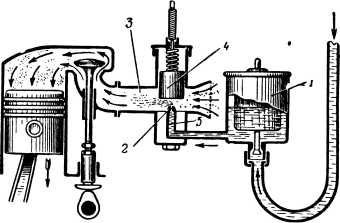
На рис. 65 дана схема простейшего карбюратора, патрубок которого соединяется с впускным патрубком цилиндра.

Рис. 65. Простейший карбюратор: 1 — поплавковая камера; 2 — жиклер; 3 — смесительная камера; 4 — дроссельный золотник; 5 — распылитель.

Основными частями карбюратора являются:

— поплавковая камера, поддерживающая постоянный уровень горючего в карбюраторе;

— распылитель, распыливающий горючее в потоке воздуха, поступающего в карбюратор;

— жиклер — калиброванное отверстие, обеспечивающее подачу необходимого количества горючего в распылитель;

— дроссельный золотник, служащий для изменения количества поступающей в цилиндры горючей смеси в зависимости от режима работы двигателя.

Кроме того, у карбюраторов некоторых типов имеется диффузор-патрубок с сужением, которое обеспечивает истечение горючего из жиклера и интенсивное его распыление. При наличии в карбюраторе диффузора пространство, заключенное между сужением диффузора и дроссельным золотником, называется смесительной камерой, а полость, расположенная между дроссельным золотником и впускной трубой цилиндра, — камерой смешения.

Рассмотрим сущность работы простейшего распылительного карбюратора.

Во время такта впуска четырехтактного двигателя за счет увеличения объема над поршнем и наличия сопротивления в клапанах давление в цилиндре двигателя понижается. Наружный воздух под действием разности давления начинает поступать в камеру смешения карбюратора. Так как сечение канала карбюратора невелико, скорость воздуха, проходящего над распылителем, увеличивается и при этом давление уменьшается.

Вследствие того, что у верхнего конца распылителя давление воздуха меньше, чем давление в поплавковой камере 1, которая сообщается с атмосферой, уровень горючего в распылителе повышается, оно вытекает из распылителя, подхватывается у его кромки потоком воздуха, распыливается и, испаряясь по пути, поступает в цилиндры двигателя.

Горючее и воздух при своем движении по каналам карбюратора подчиняются в основном одним и тем же законам, но бензин, как и всякая другая жидкость, не меняет своей плотности при изменении разрежения, в то время как плотность воздуха с увеличением разрежения уменьшается. Кроме того, скорость потока воздуха несколько уменьшается вследствие трения воздуха о стенки карбюратора и завихрения потока воздуха.

Скорость движения горючего через жиклер с калиброванным каналом, имеющим небольшую длину, также несколько уменьшится вследствие трения горючего о стенки и завихрения.

Следовательно, можно подобрать калиброванный канал жиклера 2 такой длины, при которой расход воздуха через карбюратор и расход горючего через жиклер изменятся пропорционально, а состав смеси при изменении режима работы двигателя останется постоянным. При условии, если длина канала жиклера более чем в три раза больше диаметра жиклера, поток горючего в таком жиклере не будет завихриться и расход горючего с увеличением скорости понизится меньше, чем расход воздуха. Поэтому при длинном канале жиклера с увеличением оборотов и нагрузки двигателя состав смеси будет обогащаться.

Поскольку смесь с увеличением нагрузки вначале должна обедняться, а затем при полном открытии дроссельного золотника обогащаться, то ни жиклер с коротким каналом, ни жиклер с длинным каналом не обеспечат необходимого изменения состава смеси.

По этой причине простейший карбюратор не может создавать смесь необходимого состава для каждого режима работы двигателя.

Более 800 000 книг и аудиокниг! 📚

Получи 2 месяца Литрес Подписки в подарок и наслаждайся неограниченным чтением

ПОЛУЧИТЬ ПОДАРОК