3. Реле-регуляторы

We use cookies. Read the Privacy and Cookie Policy

Во время работы двигателя обороты якоря генератора изменяются в больших пределах, а следовательно, изменяется и напряжение тока, вырабатываемого генератором. Значительное увеличение напряжения тока во время работы двигателя может привести к перегоранию нитей ламп в системе освещения, к чрезмерному повышению силы зарядного тока и т. д.

С целью поддержания постоянства напряжения при изменении оборотов якоря генератора в систему электрооборудования включен специальный прибор — реле-регулятор (реле-регулятор состоит из двух самостоятельно работающих приборов — регулятора напряжения и реле обратного тока).

Но при постоянном напряжении, поддерживаемом регулятором, сила тока, снимаемая с генератора, при увеличении нагрузки будет увеличиваться. Поэтому регулятор предназначен также ограничивать силу тока, вырабатываемого генератором. Таким образом, регулятор напряжения предохраняет генератор от перегрузки, приводящей к перегреву обмоток генератора и выходу их из строя.

Реле обратного тока служит для соединения цепи генератор — аккумуляторная батарея, когда напряжение тока, вырабатываемого генератором, выше напряжения аккумулятора (зарядка аккумулятора), и для размыкания цепи генератор — аккумуляторная батарея, когда напряжение тока, вырабатываемого генератором, ниже напряжения аккумуляторной батареи, так как при падении напряжения генератора ток из «аккумуляторной батареи может пойти на массу по обмоткам генератора и перегреть их.

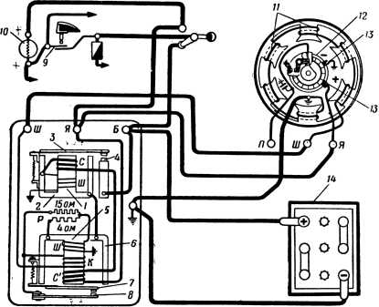
Реле-регулятор РР-30. На мотоциклах М1А и М-72 устанавливаются реле-регуляторы РР-30 и РР-31. Поскольку они имеют одинаковое устройство, ограничимся описанием работы реле-регулятора РР-30 (рис. 79).

Рис. 79. Реле-регулятор РР-30: 1 — сердечник реле обратного тока; 2 — ярмо реле обратного тока; 3 — якорь реле обратного тока; 4 — неподвижный контакт (стойка) реле обратного тока; 5 — сердечник регулятора напряжения; 6 — ярмо регулятора напряжения; 7 — якорь регулятора; 8 — неподвижный контакт регулятора напряжения; 9 — замок зажигания; 10 — контрольная лампочка; 11 — обмотка возбуждения генератора; 12 — якорь генератора; 13 — щетки; 14 — аккумулятор; С — толстая сериесная обмотка реле обратного тока; Ш — шунтовая обмотка; С' — сериесная обмотка регулятора напряжения; Ш' — шунтовая обмотка регулятора напряжения; К — выравнивающая обмотка; Р — сопротивление реле-регулятора; Б — контакт; Я и П — зажимы.

Он состоит из реле обратного тока и регулятора напряжения.

Реле обратного тока состоит из сердечника 1 с ярмом 2. Над сердечником расположен якорь 3. На якоре и на стойке 4 имеются контакты. На якорь действует пружина, которая стремится держать контакты в разомкнутом состоянии.

На сердечнике намотаны две обмотки: тонкая Ш (шунтовая), один конец которой соединен с ярмом, а другой — с массой реле, и толстая (сериесная) обмотка С, один конец которой также соединяется с ярмом, а другой — с толстой обмоткой С' регулятора напряжения. Неподвижный контакт (стойка) 4 соединен проводом с контактом Б на коробке реле-регулятора.

Рядом с реле обратного тока расположен регулятор напряжения. Сердечник регулятора 5 соединен с ярмом 6. На ярме установлен якорь 7, контакт которого пружиной прижимается к неподвижному контакту 8 регулятора напряжения.

На сердечнике имеются три обмотки: шунтовая Ш', сериесная С' и выравнивающая К.

Шунтовая обмотка Ш' регулятора соединена одним концом с массой коробки регулятора, а другим концом — с параллельно включенными сопротивлениями Р в 15 ом и 4 ом.

Сериесная обмотка С' регулятора одним концом соединена с зажимом Я на коробке, а другим концом — с сериесной обмоткой С реле. Выравнивающая обмотка К соединена одним концом с контактом Ш на коробке реле-регулятора, а другим концом — с проводником, соединяющим сопротивление в 15 ом с неподвижным контактом регулятора напряжения.

При работе двигателя на малых оборотах ток, вырабатываемый генератором, поступает к зажиму Я реле-регулятора и через сериесную обмотку С, ярмо и шунтовую обмотку Ш реле идет на массу коробки. По массе коробки и соединительному проводу ток возвращается в генератор.

Кроме того, ток, поступая на ярмо реле, проходит далее по ярму регулятора. С ярма через контакты регулятора ток поступает к зажиму Ш и затем проходит в обмотку возбуждения генератора. С ярма генератора ток также поступает через сопротивление 4 ом в шунтовую Ш обмотку регулятора и далее на массу.

Таким образом, выравнивающая обмотка включена последовательно в цепь возбуждения и ток в шунтовую обмотку поступает через сопротивление 4 ом. При этом сила тока в шунтовой обмотке регулятора зависит от напряжения генератора.

При увеличении числа оборотов напряжение генератора достигает 6,2–6,8 в, превышая напряжение аккумуляторной батареи, и контакты реле замыкаются. С этого момента ток через замкнутые контакты реле поступает к зажиму Б реле-регулятора и далее идет на зарядку аккумуляторной батареи.

При напряжении генератора 6,7 в ток, проходящий через шунтовую обмотку, намагничивает сердечник, в результате чего якорь регулятора притягивается к сердечнику и контакты регулятора размыкаются. При разомкнутых контактах ток с ярма регулятора поступает в обмотку возбуждения последовательно через сопротивления в 4 и 15 ом. Сила тока в обмотке возбуждения уменьшается, магнитное поле ослабевает и напряжение генератора падает. При падении напряжения генератора сердечник регулятора размагничивается и контакты снова замыкаются.

При замкнутых контактах регулятора ток возбуждения растет и контакты снова размыкаются.

Замыкание и размыкание контактов происходят с большой частотой, и поэтому колебание напряжения не влияет на работу потребителей. Однако с увеличением числа оборотов при наличии в регуляторе одной шунтовой обмотки напряжение генератора будет несколько возрастать.

Для сохранения постоянного напряжения выравнивающая обмотка включена последовательно обмотке возбуждения. Выравнивающая обмотка наложен на сердечник так, что она размагничивает сердечник. При наличии одной шунтовой обмотки напряжение генератора несколько растет, а ток возбуждения падает. Таким образом, размагничивающее действие выравнивающей обмотки с увеличением числа оборотов также падает, а контакты регулятора размыкаются раньше.

Сериесная обмотка регулятора служит для предохранения генератора от перегрузки; она ограничивает силу отдаваемого генератором тока. Когда за счет увеличения нагрузки сила тока, отдаваемого генератором, достигнет 5,5 в, ток, проходящий по сериесной обмотке регулятора, намагнитит сердечник и контакты регулятора разомкнутся. Ток в обмотку возбуждения пойдет через сопротивления в 4 и 15 ом, и сила тока генератора упадет. Падение силы тока вызовет размагничивание сердечника и замыкание контактов.

При уменьшении числа оборотов генератора сила тока, отдаваемая им, понизится. При понижении силы тока до 0,5–3,5 а ток от аккумуляторной батареи пройдет через замкнутые контакты и сериесную обмотку реле обратного тока и размагнитит сердечник. При этом контакты реле разомкнутся и генератор прекратит подачу тока к потребителям.

В фаре мотоцикла расположена контрольная лампа. При включении замка зажигания 9 ток от аккумуляторной батареи идет к катушке зажигания, а также через контрольную лампу к зажиму Я генератора и через обмотку якоря генератора и массу возвращается в аккумуляторную батарею. Лампа при этом горит. После того как контакты реле замкнутся, ток к контрольной лампе будет подходить от генератора через зажим Я и от аккумуляторной батареи через зажим Б. Лампа при этом гаснет.

Более 800 000 книг и аудиокниг! 📚

Получи 2 месяца Литрес Подписки в подарок и наслаждайся неограниченным чтением

ПОЛУЧИТЬ ПОДАРОК